孙鲁安 唐松智 滕 翔 杨 立
(设计三处)
(摘 要) 小浪底工程尾水管检修闸门台车式启闭机安装于地下洞室内,由于洞内安装空间狭小,启闭机的解体尺寸和单元件重量受到限制,给启闭机设计带来一定困难。本文结合尾闸室的具体布置条件,分析了启闭机的设计难点,通过方案比选,提出了符合本工程具体条件的启闭机布置方案、操作方式、车架解体尺寸及连接型式。文中还介绍了启闭机在安全保护、供电方式等方面的设计特点,并分析了荷载限制器产生测量误差的原因。
(关键词) 小浪底工程 台车式启闭机 车架接头 荷载限制器
1 基本参数
本工程电站尾水闸门2×2500kN台车式启闭机是目前我国水电工程上启闭容量最大的台车式启闭机。启闭机安装于电站尾水管检修闸室的上部,用于操作尾水管平面滑动检修闸门,其主要技术参数见表1。
表1 发电洞尾水管闸门台车式启闭机主要技术参数表
起升机构 | 额定启门力(kN) | 2×2500 | 卷筒直径(m) | 1.6 | |
起升速度(m/min) | 1.69 | 滑轮直径(m) | 1.2/1.0 | ||
扬程(m) | 25 | 电动机功率(kW) | 2×110 | ||
吊点距(m) | 6.5 | 减速器型号 | QJR-D450+800 | ||
钢丝绳最大拉力(N) | 246621 | 齿轮总传动比 | 288.842 | ||
滑轮组倍率 | 6 | 制动器型号 | YWZ500/90Z | ||
运行机构 | 运行距离(m) | 170 | 运行速度(m/min) | 13.5 | |
跨 度(m) | 7.5 | 基距(m) | 12 | ||
轨道型号 | QU120 | 车轮直径(mm) | 700 | ||
供电方式 | 滑线 | 最大轮压(kN) | 1000 | ||
减速机型号 | ZSC-950 | 电动机功率(kW) | 8.5 | ||
制动器型号 | YWZ200/25Z | 行程开关型号 | LX10-12S | ||
工作级别 | 启闭机 | 起升机构 | 运行机构 | ||
Q2 | Q2 | Q2 | |||
启闭机台数 (台) | 1 | 最大运输单元重量(kg) | 23021 | ||
电 源 | 三相交流 380V 50HZ | ||||
附属设备 | 2×2500kN液压抓梁1套 | ||||
2 设计难点
本启闭机为双吊点启闭机,启闭机的吊点距为6.5m,通过自动抓梁变换为7.48m后与闸门连接。两套起升机构通过联轴器保持同步。
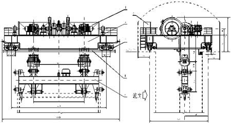
启闭机主要由起升机构、运行机构、车架、电气设备和轨道以及一套2×2500kN液压式自动抓梁等组成(见图1)。

图1 2×2500kN台车式启闭机
1-起升机构 2-车架 3-运行机构 4-轨道 5-自动抓梁 6-电气设备
启闭机的扬程为25m,属于中等偏低的扬程系列。虽然扬程不算太高,但启闭机的设计条件较为苛刻,给启闭机的设计布置带来不少困难,其设计难点主要在于:
(1)启闭容量大。本启闭机的启闭总容量为5000kN,而目前国内投入运行的最大的台车式启闭机的启闭容量为2000kN。
(2)闸门宽度大,吊点同步要求高。为方便运输,尾水管闸门制造时每扇闸门分为4节,工地安装时再在现场拼焊为2节,节间用销轴连接。闸门宽度约12.3m,总高度为10.96m,属于宽度较大的闸门。而单节闸门门叶的高度最小仅有5.3m。这种门型在运行中对两个吊点的同步要求较高。因此,启闭机设计布置时必须考虑可靠的同步措施,否则,闸门容易在门槽中发生较大偏斜甚至卡阻,影响闸门正常操作。
(3)安装条件较差。台车式启闭机安装在尾水管闸室155.68m高程的地下洞室中,进洞通道及入口狭小,转弯困难,且大型安装设备无法进洞。台车启闭机的解体单元部件的尺寸和重量均受到限制,从而也影响了设计布置。
(4)启闭机的吊点方向为顺轨道方向,与台车的跨度垂直交叉,造成台车的体型为跨度小而轮距大,车架的两个边梁承受了较大的内力,这与常见的桥式起重机的桥架结构有重大差异,增加了设计的复杂性。
3 台车总体布置方案
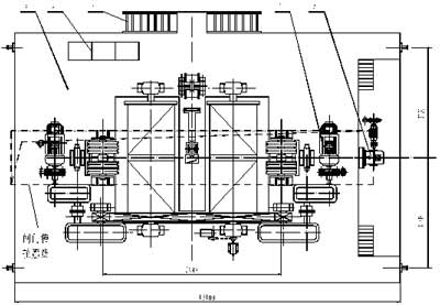
基于上述设计条件,在总体布置上作了两个方案,即双卷筒同轴线布置方案(方案一)和双卷筒平行并排布置方案(方案二)。
方案一(见图2)的滑轮倍率为6,两套起升机构各配一台电动机,各自分别通过一台二级标准减速机和一台低速轴端带悬臂支座的单级减速机和一对开式齿轮驱动相应的卷筒。两套传动机构通过单级减速机高速轴上的联轴器保持同步。

图2 台车总体布置方案一
1-起升机构 2-运行机构驱动装置 3-车架平台 4-电控设备 5-梯子
方案二(见图3)的传动参数与方案一相同,但两个卷筒的轴线相互平行,电动机、减速机和滑轮等传动部件被分置于台车的两端,两套传动机构通过卷筒上开式大齿轮之间的啮合保持同步传动。
两种方案都能满足台车解体后的安装、运输和闸门吊点的同步升降要求。其中方案二的优点是台车架长度尺寸稍短,梁系布置简单,构件受力明确,主要受力构件为两个边梁,车架接头便于选择位置,车架解体尺寸小,便于安装和运输。缺点是卷筒的轴线方向与闸门孔口的宽度方向垂直,这样在钢丝绳通过各建

图3 台车总体布置方案二
1-起升机构 2-运行机构驱动装置 3-电控设备 4-车架平台 5-梯子
筑层面时,要求的开孔尺寸很大,这会造成水工建筑布置上的困难或体形的不合理。方案一的车架梁系结构较复杂,受力构件较多,车架不好分节,但由于卷筒同轴线,卷筒方向与闸孔宽度方向一致,钢丝绳在顺水流方向上的摆动较小,钢丝绳出入闸槽时不易与水工建筑碰擦,有利于启闭机的安全运行和水工建筑物的布置,故最终确定台车采用卷筒同轴线布置方案。
4 设计特点
4.1 起升机构钢丝绳的缠绕方案
本启闭机起升机构的钢丝绳采用了卷筒单层缠绕的方案。其主要理由是:
(1)台车的起升扬程25m,扬程不高,属中低扬程;
(2)闸门吊点距约7.5m,单节闸门的宽高比较大,闸门移位时需要来回倒换,吊点的同步要求较高,采用卷筒单层缠绕更能确保闸门吊点的同步要求。
其中第2条原因是本启闭机采用单层缠绕的主要原因。因为在双吊点启闭机中,影响吊点同步的因素除卷筒的转速外,尚有卷筒直径误差和钢丝绳在卷筒上缠绕的不均匀性。一般来讲,卷筒的转速同步可以通过在传动机构中设置机械同步装置(如同步轴,齿轮啮合等)来实现,卷筒的直径误差也可以通过控制卷筒的加工误差来解决,这是不难办到的。关键是钢丝绳在卷筒上缠绕的均匀性的影响。当采用单层缠绕时,由于卷筒上有绳槽导向,钢丝绳均匀缠绕是有保证的,只要两个卷筒的速度和直径都一致,启闭机双吊点的同步是没有问题的。当卷筒采用多层自由卷绕时,则启闭机的双吊点仅可在缠绕第一层钢丝绳时保持同步,在缠绕第二层时,由于钢丝绳失去了绳槽的约束和导向,无法完全保证钢丝绳一定会均匀缠绕,这样就有可能在某时或某个位置上出现跳槽现象,且两个卷筒出现这种现象的时机和位置可能是不一样的,因此在这种情况下,即使卷筒同步旋转一圈,在两个卷筒上缠绕的钢丝绳的长度也会出现差异,从而引起两个吊点不能同步升降。缠绕层数越多,出现不同步的程度就会越大。目前,在不同行业的起重机设计中,对多层缠绕的卷筒,在计算卷筒的长度时,都要求计算的卷筒工作绳槽圈数应留有10%的裕度,也是考虑了钢丝绳多层缠绕时存在不均匀性的因素。
在单吊点启闭机中,钢丝绳的不均匀缠绕仅会引起闸门在升降过程中速度的瞬时变化,但不会影响闸门的正常启闭。而双吊点启闭机则不然,钢丝绳的不均匀缠绕可能导致两个吊点的不同步,从而影响闸门的正常启闭。
当然,为避免钢丝绳在卷筒上缠绕的不均匀性,也可以采用机械排绳装置。但排绳装置易磨损,需要经常进行维护,在启闭扬程不高的情况下,卷筒单层缠绕方案更可靠。因此,从确保尾水管检修门运行安全、方便和减小设备维护工作量的角度考虑,确定启闭机的起升机构采用卷筒单层缠绕的布置方案。
4.2 车架分节与连接
本台车车架的平面尺寸为14.5m×8.3m×2.4m(长×宽×高),而尾水闸室洞的地面通道宽度仅6m,洞内无法进入大型吊装机械,安装条件十分困难。因此,在台车设计中,必须将车架分节才能满足运输和安装要求。
车架主要由卷筒支承梁、边梁、定滑轮支承梁、平衡滑轮支承梁、行走机构支承平台及车架走台等组成。其中卷筒支承梁共4根,车架端部2根,中间2根。边梁、定滑轮支承梁及车架端部的卷筒支承梁均为箱形梁,车架中部的卷筒支承梁和平衡滑轮支承梁为工字梁(见图4)。
根据进洞尺寸、转弯要求及安装单元件重量要求,台车车架分为四节、六个接头。每节的单元重量最大不超过15t,宽度最大不大于4.2m,长度不超过7.5m。接头采用高强度螺栓连接,其中箱形截面接头4个,工字形截面接头2。为便于螺栓安装,在箱型梁的腹板上开有安装孔。安装时,先用定位销定位,再穿高强螺栓,最后再用高强螺栓替换掉定位销。在机架接头的螺栓孔上,对有定位要求的螺栓孔都做有标记,以避免穿错造成定位不准确。

图4 台车车架及接头位置
每个箱型梁的接头需要14块连接板,整个台车的连接板数量是较多的。这些连接板均与被连接件配钻,其中不少连接板的外形完全一样,但在车架上的连接位置和安装方向是不同的,如不加以区分,很容易弄错,影响安装质量。为此,在接头的连接板上都做有编号标记,这些编号代表了每一块连接板在车架上的唯一位置。在设备的安装图上,也专门绘制了车架接头的节点图,并在图中对每一块连接板做出了与实物相同的编号标记。这样,在安装时,对照图纸和实物,绝不会出现安装错误,既可保证安装精度,又可提高安装速度。
尾闸室的入口附近(靠近主厂房交通洞)20m范围为安装间,供台车在洞内拼装和以后检修。由于尾闸室洞内无法进入大型安装设备,故在安装间的顶部设置4排共24个吊环,每个吊环的额定承拉力为200kN,供台车安装时悬挂起吊设备之用。
车架应如何分节尚无统一规定,本启闭机设置车架的接头时主要考虑了以下因素:
(1) 洞内外运输和安装尺寸对车架解体后的单元尺寸和重量的要求和限制;
(2) 从电站主厂房交通洞到尾闸室入口的最小转弯半径;
(3) 洞内所能提供的安装设备类型;
(4) 接头周围的安装空间;
(5) 接头所在位置构件的内力大小和分布情况;
(6) 接头的连接方式和要求。
实际上,要同时满足这些条件是很困难的,总的原则是:在满足运输和最大安装单元的前提下,应尽量减少分节的数量,以减少在工地拼装的不便。
4.3 操作方式
台车的操作对象是尾水管检修闸门,该闸门每扇分为两节,上下两节之间设有连接轴和手摇穿轴装置。正常操作时两节门整体启闭,平时锁定在检修平台上,锁定位置在下节上。当闸门由当前孔位置移至另一孔时,必须解开节间连接。先将上节临时放到第三孔上,再将下节移至目标孔锁定,然后再将上节由第三孔移至目标孔上并与下节连接好,即完成闸门整体移位。
采用这种操作方式的理由:
(1) 降低了闸室的高度,减少岩石的开挖量,节省工程投资;
(2) 尾水管检修闸门的使用次数不频繁,为非应急性闸门,对操作时间要求不严格,使用上允许采用这种方式;
(3) 尾闸室上部还有一条电缆洞,两条洞之间有净距限制,不允许尾水闸室的顶部抬得太高;
(4) 尾闸室顶层以上的岩石条件较差,抬高闸室将增加施工难度,而且洞内也需要采用钢筋混凝土衬砌才能满足强度和稳定性要求,与混凝土喷锚衬护相比不经济。
台车采用现地控制方式操作。因台车下部的空间有限,无法设置悬吊式司机室,故全部控制盘、柜均设在台车车架的平台上,操作台车也在平台上进行。车架下部的情况可通过卷筒组两侧的孔洞和车架下部的探照灯进行观察。
4.4 运行机构
本台车的运行机构采用一端集中驱动的布置方式。驱动机构通过一台立式安装的减速机将动力传递到跨度两侧的驱动车轮。台车共有8个车轮,其中驱动轮2个,占总车轮数的1/4,属于驱动轮较少的大型台车运行机构。根据计算,台车在空载工况下的最小驱动轮压满足机构在起、制动时的不打滑条件,其安全系数均大于1。
4.5 供电方式
台车采用滑线供电方式。这种滑线采用全密封设计,具有安全节能、防尘抗震、绝缘性能好等优点,受电器与台车采用铰链连接,可补偿台车的横向摆动位移,避免损坏滑线的元件。
液压抓梁的供电方式采用电缆卷筒,电缆卷筒形式为磁力耦合式,自身带有动力,可自动保持与起升机构吊具的同步升降。电缆为19芯特制移动电缆,可承受较大的外力作用。
4.6 夹轨器与台车机罩
本启闭机安装于地下洞室内,为室内使用,不承受风荷载,故不设夹轨器和机罩。但在设备投运后,发现洞顶有渗水滴落到台车上,洞内较潮湿,故后期又增设了机罩。
4.7 位置和行程控制
台车的运行机构设有行程开关,轨道的端部设有车挡。行程开关安装在台车上,在车架的两端各安装一个,行程开关的碰杆埋设在轨道梁上,在轨道两端也各有一个。当启闭机运行至轨道端部时,行程开关自动切断电源。
为满足启闭机制动后的滑行距离,碰杆的水平段长度取为比滑行距离大50~100mm。
位置控制通过起升机构的主令控制器和高度指示器来实现。主令控制器仅用于控制起升机构的最高和最低极限位置,高度指示器控制中间任意位置。尾水检修门升降过程中相对固定的位置有:
(1) 最高极限位置;
(2) 最低极限位置;
(3) 闸门检修平台锁定位置;
(4) 检修闸门分节调运位置。
因此,主令控制器的位置输出接点取为4个(其中2个备用),高度指示器的输出接点取为6组(其中2组备用)。高度指示器在启闭扬程中的任意位置可根据需要随时设定,闸门升降到预定位置时自动停机。另外,通过手动停机按钮可使启闭机的起升机构在启闭中途随时停机。
4.8 荷载控制
采用电子式荷载限制器,其核心部件为GGC型压力传感器。荷载限制器的压力传感器在每个吊点上设一套,荷载显示有两个屏,分别显示两个吊点上的分荷载。荷载限制器在启闭容量达到90%额定容量时自动发出短声、间隔报警;当启闭容量达到100%额定容量时荷载限制器发出长声、持续报警,提醒操作人员或现场其他人员注意安全和加强对现场情况的观察;当启闭容量达到110%额定容量时荷载限制器自动切断电源。
电子式荷载限制器能动态显示瞬时荷载,直观反应荷载变化情况,保护动作灵敏、可靠,目前在水电工程上已普遍采用,并有逐步淘汰机械式荷载限制器的趋势。但尚存在下列问题:
(1) 对安装位置较敏感。即测力传感器的测量误差随安装位置的不同而不同。如安装在平衡滑轮支座时,测量误差较大,但传感器的型号较小;安装在定滑轮组支座时,测量精度一般较高,但传感器的型号较大。最佳位置是直接安装在吊具上,但测力传感器要进入水中工作,目前还没有适应这种工作条件的产品。
(2) 扬程较高、滑轮倍率较大时,钢丝绳的自重较大,有时可达几十吨以上,钢丝绳对荷载测量精度的影响较大,应考虑对荷载限制器的读数进行校正。当钢丝绳缠满卷筒时,钢丝绳的重量通过卷筒传递给机架,荷载限制器基本不承受钢丝绳的自重。当钢丝绳全部放开时,钢丝绳的自重几乎全部加到了荷载限制器上。此时,对于测力传感器在定滑轮下的安装方式,荷载的测量值就有了误差。
(3) 在启闭机的起升和下降过程中,荷载限制器的测量值存在差异。与其它行业上的起重设备不同,水电工程的启闭机操作的是带有导槽的闸门,由于闸门在升降过程中对门槽的摩阻力的方向不同,且大小也是变化的,必然引起荷载限制器测量读数的差异。这常常使得用户引起误解,以为是荷载限制器的质量问题。
目前,不论是国产的还是进口的荷载限制器都存在上述问题。因此,设计、安装中应尽量考虑上述因素的影响,并在设计文件中对荷载限制器的调试、安装给出较为详细的规定。
5 运行情况
台车式启闭机是小浪底工程中最早投入安装调试的启闭机之一,由于在台车设计阶段对安装条件给予了充分重视,并采取了较为正确、合理的设计、布置、车架分节、接头连接以及安全保护等技术措施,台车的安装调试很顺利,运行情况良好。