毛艳民(设计三处)
〔摘要〕介绍了 黄河勘测规划设计研究院有限公司科研试验大楼的空调系统设计,重点说明了风系统、水系统、防排烟系统、自控系统等的设计思路和对策,根据使用效果总结了设计经验。
〔关键词〕 科研试验大楼 空调系统 防排烟系统 自控系统
1 工程概况
黄河勘测规划设计研究院有限公司科研试验大楼(以下简称科研大楼)位于郑州市金水路109号,南依风景如画的紫荆山公园,交通便利,地理位置十分优越。
科研大楼总建筑面积约29000m2,地下1层,地上主楼由两个分别为19层(西塔楼)、24层(东塔楼)的扇形塔楼交织组成,主楼平面形式呈“∽”型布置,西裙楼4层,东裙楼3层,地上主楼总高度86.7m。科研大楼功能以科研、试验、技术研讨交流为主,并辅助必要的办公用房。
科研大楼的建设历时3年,于2000年底完工。主要建筑功能布置如下:地下1层为车库、冷冻机房、水泵房及变配电室;东裙楼出租作为酒店;西裙楼1层出租作为银行,西裙楼4层为职工健身房,2、3层为办公用房;地上主楼1层为进楼大厅,东、西塔楼两个顶层为会议室,其余为科研用房。
2 设计标准及主要设备
2.1 室外空气计算参数:
冬季采暖室外计算温度 -5℃
冬季空气调节室外计算温度 -7℃
冬季通风室外计算温度 0℃
冬季室外平均风速 3.4m/s
夏季通风室外计算温度 32℃
夏季空气调节室外计算温度 35.6℃
夏季空气调节日平均温度 30.8℃
夏季室外平均风速 2.6m/s
最冷月平均室外计算相对湿度 60%
最热月14时平均室外计算相对湿度 45%
2.2 室内主要设计参数:
地 点 | 夏 季 | 冬 季 | ||
温度 (℃) | 相对湿度(%) | 温度 (℃) | 相对湿度(%) | |
科研办公用房 | 25 | 50 | 18~20 | 50 |
商业营业厅 | 26 | 55 | 16~18 | 55 |
会议室 | 25 | 55 | 16~18 | 55 |
计算机房 | 23±2 | 55 | 20±2 | 55 |
新风量:科研办公用房、商业营业厅、会议室等每人30m3/h
2.3主要设备:
设备名称 | 台数 | 主要性能参数 | 备注 |
蒸汽双效溴化锂制冷机 | 2 | 制冷量:1740kW 耗电量:9.6kW | |
冷却塔 | 2 | 流 量:600m3/h 耗电量:15kW | |
冷冻水循环泵 | 2 | 流量:346m3/h 扬程:38m 耗电量:55kW | |
冷却水循环泵 | 2 | 流量:500m3/h 扬程:28m 耗电量:55kW | |
整体式换热机组 | 1 | 流量:218m3/h 扬程:41m 耗电量:37kW | 带水泵 |
冷冻水补水泵 | 1 | 流量:23.7m3/h 扬程:113m 耗电量:22kW | |
冷却水补水泵 | 2 | 流量:20.4m3/h 扬程:25m 耗电量:4kW | |
柜式空调机组 | 6 | 风量:15000~25000 m3/h 耗电量:7.5~11kW | |
变风量空调器 | 30 | 风量:6000~8000 m3/h 耗电量:1.5~4kW | |
新风机组 | 11 | 风量: 2000 m3/h 耗电量:0.37kW | |
风机盘管 | 116 | 风量:630~1200 m3/h 耗电量:0.085~0.16kW | |
排烟风机 | 4 | 风量:29172~50128 m3/h 压头:647~690Pa | |
正压送风机 | 4 | 风量:18220~41590 m3/h 压头:810~950Pa |
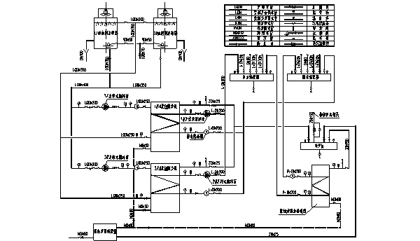
1. 冷热源:
科研大楼空调计算冷负荷为3060kw,其中主楼2100kw,裙楼960kw,热负荷为240kw。制冷机房设置两台蒸汽双效溴化锂制冷机,一台整体式汽水热交换机组,由黄委会生活区锅炉房产生的0.6MPa的蒸汽,通过管道分别与制冷机及热交换机组相连。夏季通过制冷机产生7℃冷冻水,回水温度为12℃,冷却水进口温度32℃,出口温度38℃;冬季通过热交换机组产生60℃热水,供空调机及风机盘管使用。
2. 空调水系统:
空调水系统采用双管制闭式循环系统。为了便于科研大楼空调水的运行管理与调节,将空调水系统划分为5个独立子系统:主楼东区水系统、西区水系统、中区水系统,裙楼东区水系统、西区水系统。它们分别与供水集配器、回水集配器相连。每一个独立子系统供回水管路均采用同程式。
空调水系统由设在东塔楼24层楼顶的膨胀水箱定压,系统补水直接补入膨胀水箱内,由膨胀管引入回水集配器。空调水循环泵、冷却水循环泵均布置在地下室冷冻机房内,冷却塔位于东裙楼屋面上。

图1 制冷(热)系统原理图
1. 空调风系统:
根据各场所的使用功能及建筑条件要求,科研大楼采用不同的空调方式。
5.1 裙楼及主楼1-4层
西裙楼及主楼1层大厅采用集中空气处理机,低速风管系统顶送顶回。即
在西裙楼每层设置一空调机房,布置一台柜式空调机组,通过吊顶上部的送风管道及散流器送入各房间,回风通过吊顶上部回到空调机房,不设回风管道。空调机房有对外开启的外窗,可作为新风源。室外新风进入空调机房后与回风一起进入空调机进行处理。在春、秋过渡季节可采用全新风,即空调机组只起送新风的作用,不再对空气进行加热或降温。
主楼2-4层采用风机盘管加新风的空调方式,每层设两个新风系统,在两个塔楼的端部分别设有新风竖井,新风竖井直通至各自楼顶屋面,与大气相通。设在每层的新风机组将新风通过送风管道和散流器送入各房间。排风主要通过各房间可开启外窗和卫生间排风竖井排至室外。
东裙楼也采用集中空气处理机,低速风管系统顶送顶回。在东裙楼2、3层各设置一空调机房,布置一台柜式空调机组,其中2层空调机组负责1、2层的空调,3层空调机组负责3层的空调,通过吊顶上部的送风管道及散流器送入各房间,回风通过吊顶上部回到空调机房,3层不设回风管道,1、2层设回风管道。空调机房有对外开启的外窗,可作为新风源。
5.2 主楼5-24层
主楼每层根据功能不同分为大空间与小隔间两种型式。
大空间采用全空气单风道低风速的空调方式,空调机(卧式吊装变风量空
调器)分别设在每层的新风井处的吊顶内,经空调机处理过的空气通过设在吊顶上的风管送到大空间内,回风则由吊顶上部剩余空间回到空调机进口附近,与新风混合一起进入空调机。

图2 主楼标准层空调平面图
主楼小隔间采用风机盘管加新风的空调方式,每个房间均布置有风机盘管,新风机组将新风竖井内的新风通过送风管道和散流器送入各房间。排风主要通过各房间可开启外窗和卫生间排风竖井排至室外。
1. 机械通风系统:
6.1 地下1层车库
根据防火分区划分设1套机械送风系统,2套机械排风系统,送风量按5次/h考虑,排风量按6次/h考虑,排风分上排和下排两部分,下部排2/3,上部排1/3。送、排风机分别设置于东、西裙楼屋顶。送风管道在穿越防火分区时加装70℃防火调节阀。
6.2 地下1层冷冻机房、水泵房及变配电室
地下1层冷冻机房、水泵房及变配电室的排风系统与车库排风系统相结合,送风系统则在新风井附近安装两台轴流式通风机,通过两个新风竖井取新风,分别送入冷冻机房、水泵房及变配电室。新风井与送风管连接处装设70℃防火调节阀。
6.3 卫生间排风
主楼卫生间设有集中排风系统,每层卫生间废气经由排气扇排至排风竖
井,排风竖井在楼顶与大气相通。每层卫生间另有可开启的外窗。
2. 防排烟系统:
7.1 地下1层车库
根据防火分区划分设两个排烟系统,排烟与平时排风共用一个系统,排风口为常开。每个排烟系统负担两个以上防烟分区,排烟系统排烟量按其中最大防烟分区不少于120m3/(h?m2)考虑。排风(烟)风机风量的确定,以排烟与平时通风两者之最大值为准。
在所有下排风口处均装设70℃防火调节阀,一旦着火,所有下排风口将关闭,仅留上排风口进行排烟。在排风(烟)机的入口均设280℃防火阀。
7.2 地下1层变配电室
采用低压CO2气体消防。在送、排风管道上均设电动阀,由消防中心控制,当火灾发生时,关闭这些阀门,以保证消防气体的使用。
7.3 裙楼及主楼科研办公用房
面积超过100m2且经常有人停留的科研办公用房均采用自然排烟形式。因一层大厅中庭净空高度超过12m,在中庭上部裙房屋面上对称布置2台中庭排烟风机。
7.4 防烟楼梯间及其前室
科研大楼共有3个防烟楼梯间,分别位于东、西塔楼的两侧及两座塔楼之间消防电梯间的后面。防烟楼梯间及其前室因不具备自然排烟条件,故设置加压送风系统。
3台加压送风机分别位于各自位置楼顶上面,楼梯间每隔2层、前室每层设一个常开单层百叶送风口。其余压值为:防烟楼梯间50Pa,前室25Pa。
3. 空调自动控制:
该大楼的设计目标是现代化智能科研大楼,空调系统自控设计作为楼宇自控系统设计的重要组成部分,也提出了较高的要求。
8.1 空调系统
监控范围主要包括6台柜式空调机组、30台变风量空调器、11台新风机组、116台风机盘管。主要可以控制送风温度、回风温度、过滤器状态、送风机启停及运行状态、送风机故障报警、电动调节水阀及新风风门的开启度。
具体地讲:
①可以根据回风温度与温度设定值之差,来调整冷水阀的开启度,以达到
温度恒定;
②由时间顺序、图形中心或电脑终端控制风机启停;
③过滤网堵塞时报警;
④各硬件点状态可在图形中心或电脑终端显示出来。
8.2 制冷系统
监控范围主要包括2台蒸汽溴化锂制冷机、2台冷冻水循环泵、2台冷却水循环泵、2台冷却塔。主要可以控制冷冻水总管供回水温度、冷却水总管供回水温度、溴化锂制冷机及冷却塔运行状况、冷冻水循环泵及冷却水循环泵运行状况、以及上述设备的故障报警。
8.2.1 开停顺序控制设计
①开机顺序:冷却水阀,冷却水循环泵,冷却塔水阀,冷却塔→冷冻水阀,
冷冻水循环泵→检查水阀状态,水泵状态,冷却塔状态都正常时启动制冷机。
②关机顺序:制冷机→冷却水阀,冷却水循环泵,冷却塔→冷冻水阀,冷
冻水循环泵
8.2.2 报警及保护设计
制冷机运行时,该组冷冻水循环泵、冷却水循环泵或冷却塔出现故障时,报警并关闭主机及该组水泵。
8.2.3 制冷机数量控制设计
运行时先启动1台制冷机,根据制冷机的供、回水温度确定是否启动另一台制冷机。 8.2.4 状态监视设计
各硬件点状态可在图形中心或电脑终端显示出来。
4. 使用效果与设计体会:
科研大楼投入运行以来,总的情况是好的,室内温度基本上达到了设计要求,新风量也能满足室内的需求,但也存在一些问题。
①由于空调主机选用的是蒸汽型溴化锂制冷机,所以制冷机的运行受到锅
炉运行的制约。非正常工作时间,锅炉往往停炉,这就使整个大楼的空调无法运行,给利用业余时间进行工作和学习带来很大的不便。今后在设计类似工程时,应充分考虑这一点。
②标准层大空间采用的是吊装式变风量空调器,空调器分别设在每层的新风井处的吊顶内。这样设计的好处是每层不必单独设置空调机房,增加了办公场所使用面积,但存在的问题是给维修带来了不便。每次空调机、过滤网等设备检修时,需要将吊顶局部矿棉板拆下来,维修工搬来梯子爬上去,才能修理,十分不方便。
③标准层大空间没有单独设置新风机,新风是通过与回风混合后进入空调机的,新风量的多少是通过事先调节好新风口的大小来控制的,所以在实际运行当中,新风量的多少无法实现自动调节。
④地下室车库根据规范要求设置了1套机械送风系统,2套机械排风系统,送风量按5次/h考虑,排风量按6次/h考虑。由于通风量较大,通风管道尺寸相应较大,布置起来不是很美观。可以考虑通过车库门自然进风,机械排风,这样可以省略进风管道,使车库看起来美观一些,不足之处是送风不均匀,有些地方易形成死角,新风达不到。